이격형 밀착형 벽체 배수판
이격형 밀착형 벽체 배수판
이격형 밀착형 벽체 배수판
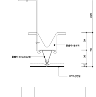
기존 지하 이중 벽체는 결로 방지와 침투 및 결로 수 유도처리 목적으로 치장 블록을 주로 설치해왔으나, 기존 방식의 시공상 불편함과 동절기에 습식 공사의 에로성 및 공기의 효율성을 보완하며, 공사비 절감 등에 뛰어나고 골조가 불량한 벽체 등에 시공성이 우수한 경량들과 클립바를 이용하여 효율적인 벽체 배수판을 생산하게 되었다
이격형 밀착형 벽체 배수판 특징
수직 구조 최적화
외벽에 밀착되지 않고 이격 설치되어 배수 효과 극대화
방수층 보호
토사, 물, 외부 충격으로부터 방수층 손상 방지
배수로 일체형 구조
물이 고이지 않고 빠르게 외부로 유도
내하중 및 내구성 우수
흙의 압력이나 충격에도 안정적인 성능 유지
간편한 시공
모듈 방식으로 빠른 설치 가능
제품 특성
클립스터드 공법(이격형)
클립바 공법(밀착형)
이격형 밀착형 벽체 배수판 시공 사례
