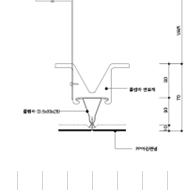
칼라강판(이격형 밀착형)
칼라강판(이격형 밀착형)
칼라강판(이격형 밀착형)
지하이중벽체는 방수층보호, 치장효과를 목적으로 설치해 왔으며 치장 블럭을 주로 사용하여 건축물의 성능을 향상시켜왔다.
이후 단점을 보완하여 경량공법이 적용되었으나 당사는 SP클립스터드 및 클립바에 마감재를 취부하여 공기 단축 및 공사비 절감, 유지 관리에 효과적인 공법을 도입하였다.
칼라강판(이격형 밀착형) 시공 사례
제품 특성
클립스터드 공법(이격형)
클립바 공법(밀착형)
